送り台

最後の微調整には、なくてはならないジャッキです。
桁架設時の沓位置調整など、重量物のX-Y方向を微調整するための装置です。
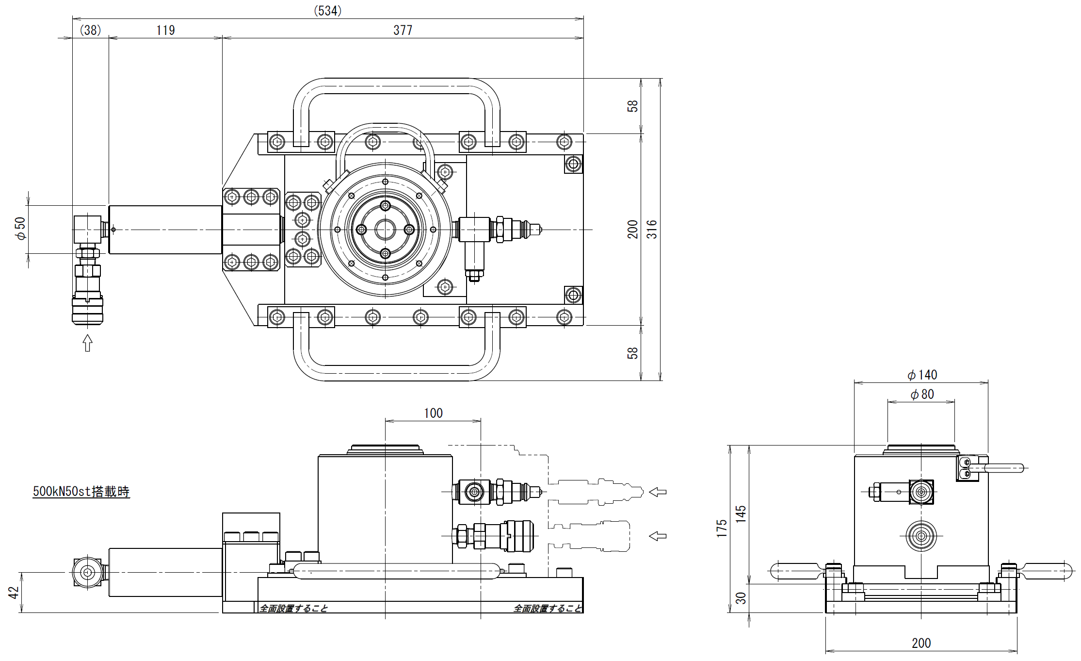
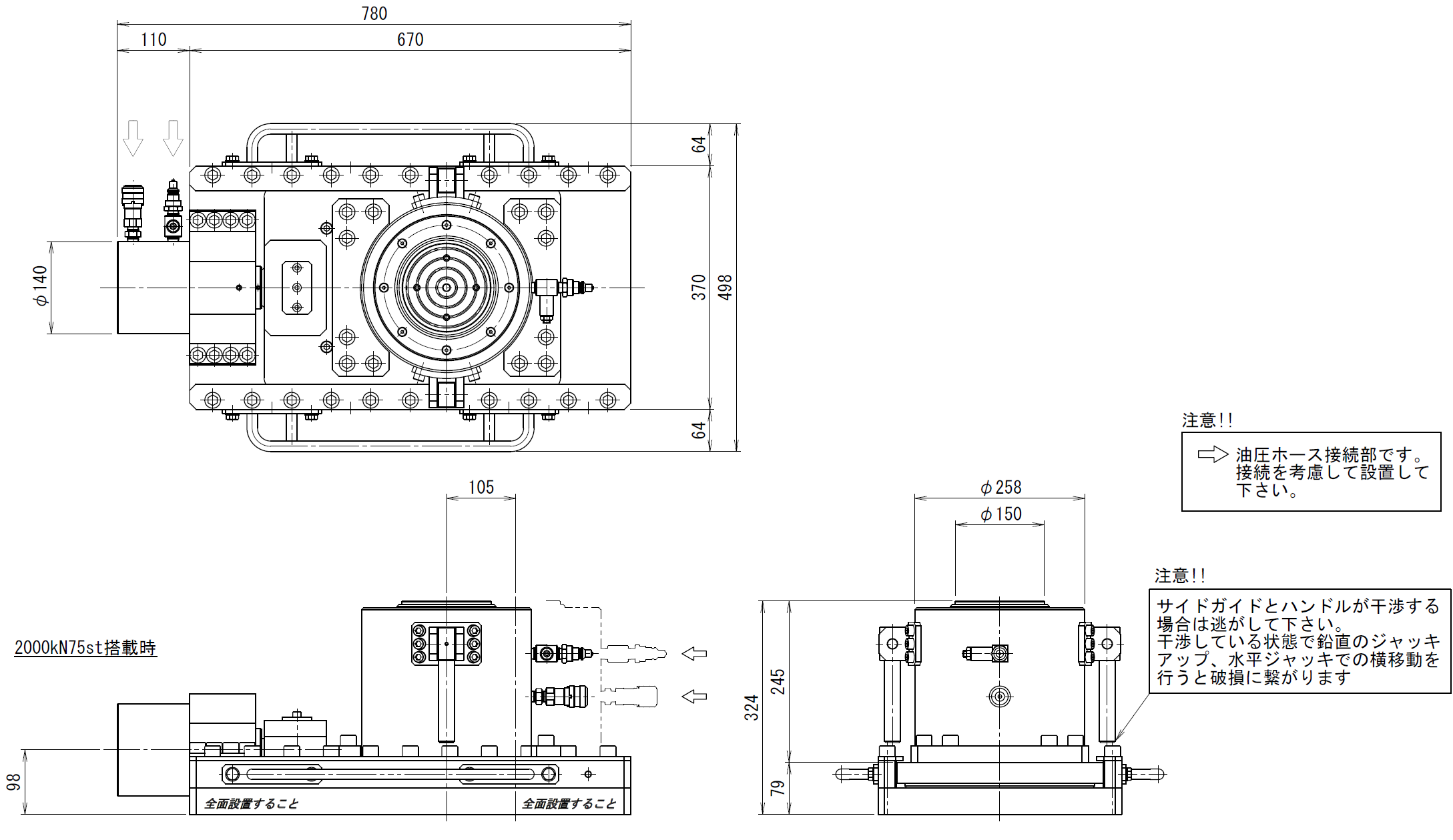
送り台の構造
送り台は、ベースプレート上を水平移動できるスライドプレートと、スライドプレートの推力となる推進ジャッキで構成されます。ジャッキアップ量に合わせた鉛直ジャッキをスライドプレートに乗せて使用します。


重量物の位置調整
スライドプレートに乗せた物上げジャッキで重量物をジャッキアップ。送り台に搭載された推進ジャッキで平面移動をすることができます。


仕様・図面
500kN50ストローク 送り台(3軸対応型)

500kN100ストローク 送り台(推進ジャッキ型)
1000kN150ストローク 送り台

1000kN±35ストローク 送り台(3軸対応型)

2000kN105ストローク 送り台
3000kN50ストローク 送り台

3000kN105ストローク 送り台

注意事項

製品使用上の注意事項
装置の性能を十分に利用いただくために、「製品使用上の注意事項」をよくお読みいただき、機能や性能などを十分に理解のうえ正しくご利用ください。

搭載ジャッキについて
決まった組み合わせで使用してください
送り台に搭載する油圧ジャッキは組み合わせが限定されています。規格外のジャッキを使用すると、ジャッキが転倒し大きな事故につながる可能性があります。
| 送り台 | 搭載可能ジャッキ |
|---|---|
| 500kN100ストローク送り台 | 500kN30ストローク油圧ジャッキ 500kN50ストローク油圧ジャッキ |
| 1000kN150ストローク送り台 | 1000kN60ストローク油圧ジャッキ 1000kN75ストローク油圧ジャッキ |
| 2000kN105ストローク送り台 | 2000kN75ストローク油圧ジャッキ 2000kN75ストローク油圧ジャッキ(ユニバーサルヘッド付き) 2000kN115ストローク油圧ジャッキ 2000kN115ストローク油圧ジャッキ(ユニバーサルヘッド付き) |
| 3000kN105ストローク送り台 | 3000kN100ストローク油圧ジャッキ 3000kN120ストローク(ユニバーサルヘッド付き) |
移動時について
移動方向を合わせてください
複数の送り台を使用する場合は、送り台の可動方向を合わせて下さい。異なった方向に移動させると、積載物を破損させる可能性があります。
移動速度を合わせてください
複数の送り装置を使用する場合は、送り台の移動速度を合わせてください。
滑りが発生したら移動を停止してください
送り台で積載物を移動する際に、搭載した油圧ジャッキと積載物の受け面で滑りが発生した場合は直ちに移動を止めてください。
干渉物に注意してください
送り台を動かす際に、搭載した油圧ジャッキのカップラー等が周辺設備に干渉しないようにジャッキを設置してください。干渉してカップラーが破損すると、積載物が急激に落下する可能性があります。
設置について
水平に設置してください
送り台のベースプレートは水平に設置してください。設置面が水平でない場合は、積載物が逸走する可能性があります。
全面接触するように設置してください
送り台のベースプレート下面が全面接触するように設置してください。全面接触していない場合は、積載物の荷重によりベースプレートが変形し移動ができなくなり、清記載物のバランスが崩れ倒壊する可能性があります。

設置について
ゴミを除去してください
送り台のベースプレート上にゴミや異物がある場合は、除去してください。そのまま送り台を移動させると送り台を破損する可能性があります。






