変位同調装置

変位同調装置は、同型式のジャッキの押し側作動油を同油量抜き取る事により、
変位を最小限に抑えてジャッキダウン、ジャッキアップを行う事の出来る装置です。
本装置と、操作盤、ポンプユニットの組み合わせで使用します。
ラインナップ・図面
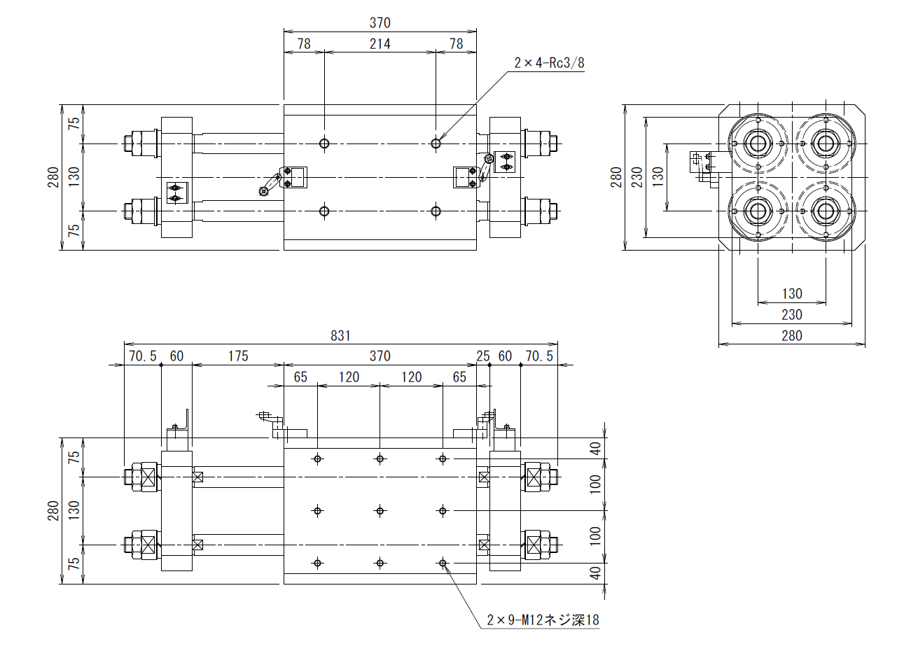
4連イコライザー装置
10連式油圧同調装置操作盤
10連変位同調装置
注意事項

製品使用上の注意事項
装置の性能を十分に利用いただくために、「製品使用上の注意事項」をよくお読みいただき、機能や性能などを十分に理解のうえ正しくご利用ください。

変位同調装置は、同型式のジャッキの押し側作動油を同油量抜き取る事により、
変位を最小限に抑えてジャッキダウン、ジャッキアップを行う事の出来る装置です。
本装置と、操作盤、ポンプユニットの組み合わせで使用します。

装置の性能を十分に利用いただくために、「製品使用上の注意事項」をよくお読みいただき、機能や性能などを十分に理解のうえ正しくご利用ください。