物上げ用油圧ジャッキ

どんな現場にも対応
できる、
多種のジャッキを用意しました。
物上げ用ジャッキは、持ち上げるだけでなく、重量物を下げたり押すこともできる、すべてのジャッキの基本となるジャッキです。
油圧ジャッキの構造
油圧ジャッキは、本体となるシリンダチューブ、物を持ち上げるピストンロッド、ピストンロッドの押さえとなるロッドカバー、3点の金属部品から構成されます。押し側ポートから油を入れると油がたまりピストンロッドが伸長します。この時の油の圧力は最大70MPa、1cm2あたり700kgの力でピストンロッドを押し上げます。ピストンロッドの底面積(受圧面積)が100cm2のジャッキは、70tonの物を持ち上げることができる計算になります。

コンパクトな単動型と、汎用性の複動型
単動型にはガスリターン型とスプリングリターン型があります。ガスリターン型は戻しポート側にガスが充填されており、膨張力でピストンロッドを縮め、スプリングリターン型はばねの力で縮まります。どちらも油圧ホース1本で操作できます。主に小型のジャッキが単動型です。
複動型は伸長時には押しポート側に油を送り、収縮時には戻し側ポートに油を送るため、油圧ホースを2本使用します。油を送る量によりジャッキの伸縮をコントロールできる利点があります。当社のジャッキの多くが複動型を使用しています。

(ガスリターン/スプリングリターン型)

仕様・取扱説明書
物上げ用油圧ジャッキ(ガスリターン型)
仕様
| 周囲使用温度 | -5℃~40℃ |
| 作動油 | ISO-L-HM VG-32相当品 |
| 充填ガス | 窒素ガス 1MPa |
物上げ用油圧ジャッキ(スプリングリターン型)
仕様
| 周囲使用温度 | -5℃~40℃ |
| 作動油 | ISO-L-HM VG-32相当品 |
物上げ用油圧ジャッキ(複動型)
仕様
| 周囲使用温度 | -5℃~40℃ |
| 作動油 | ISO-L-HM VG-32相当品 |
ラインナップ 図面
200kN
スクロールできます
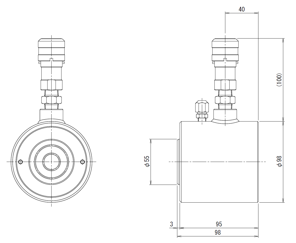
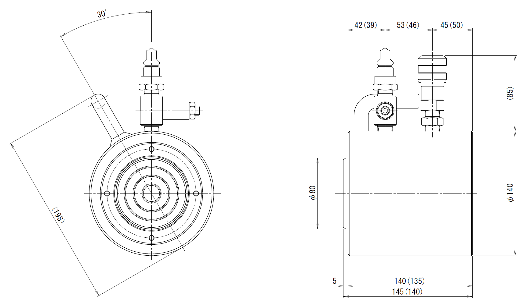
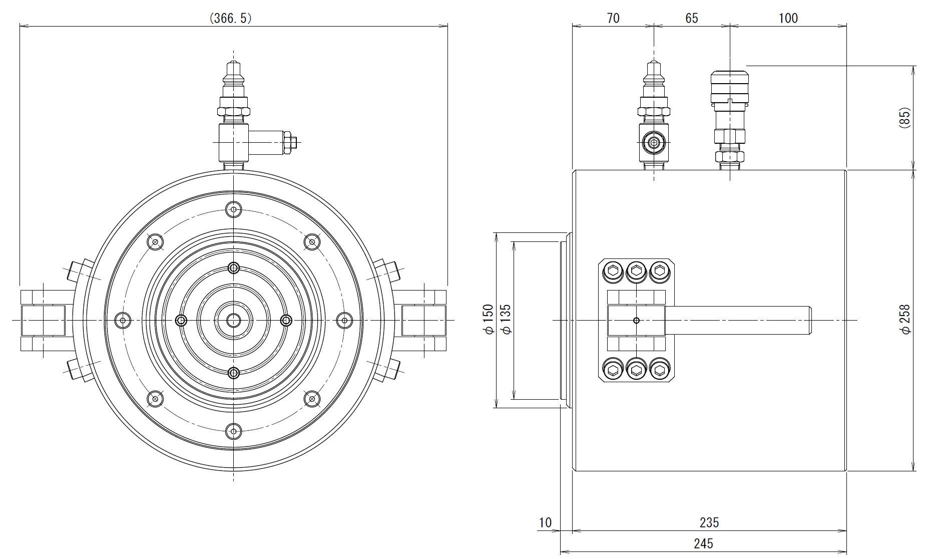
| 画像 | ストローク | 仕様 | 最低機械高 | 受圧面積 | 圧力 | 所要油量 | 重量 | ダウンロード |
|---|---|---|---|---|---|---|---|---|
![]() | 15mm | 単動型 (ガスリターン型) | 52mm | 30.2cm2 | 66.2MPa | 0.05L | 2.1kg | PDF 換算表 DXF DWG |
![]() | 35mm | ガスリターン型 | 98mm | 38.5cm2 | 52MPa | 0.14L | 5.9kg | PDF 換算表 DXF DWG |
![]() | 115mm | ガスリターン型 | 195mm | 38.5cm2 | 52MPa | 0.44L | 10.2kg | PDF 換算表 DXF DWG |
![]() | 125mm | スプリングリターン型 | 295mm | 33.2cm2 | 60.3MPa | 0.42L | 12.1kg | PDF 換算表 DXF DWG |
![]() | 200mm | 350mm | 44.2cm2 | 45.3MPa | 0.88L | 19kg | PDF 換算表 DXF DWG |
300kN
| 画像 | ストローク | 仕様 | 最低機械高 | 受圧面積 | 圧力 | 所要油量 | 重量 | ダウンロード |
|---|---|---|---|---|---|---|---|---|
![]() | 100mm | 安全ナット付き | 314mm | 56.5cm2 | 53MPa | 0.57L | 32kg | PDF 換算表 DXF DWG |
![]() | 200mm | 380mm | 50.3cm2 | 59.7MPa | 1.0L | 36kg | PDF 換算表 DXF DWG |
500kN
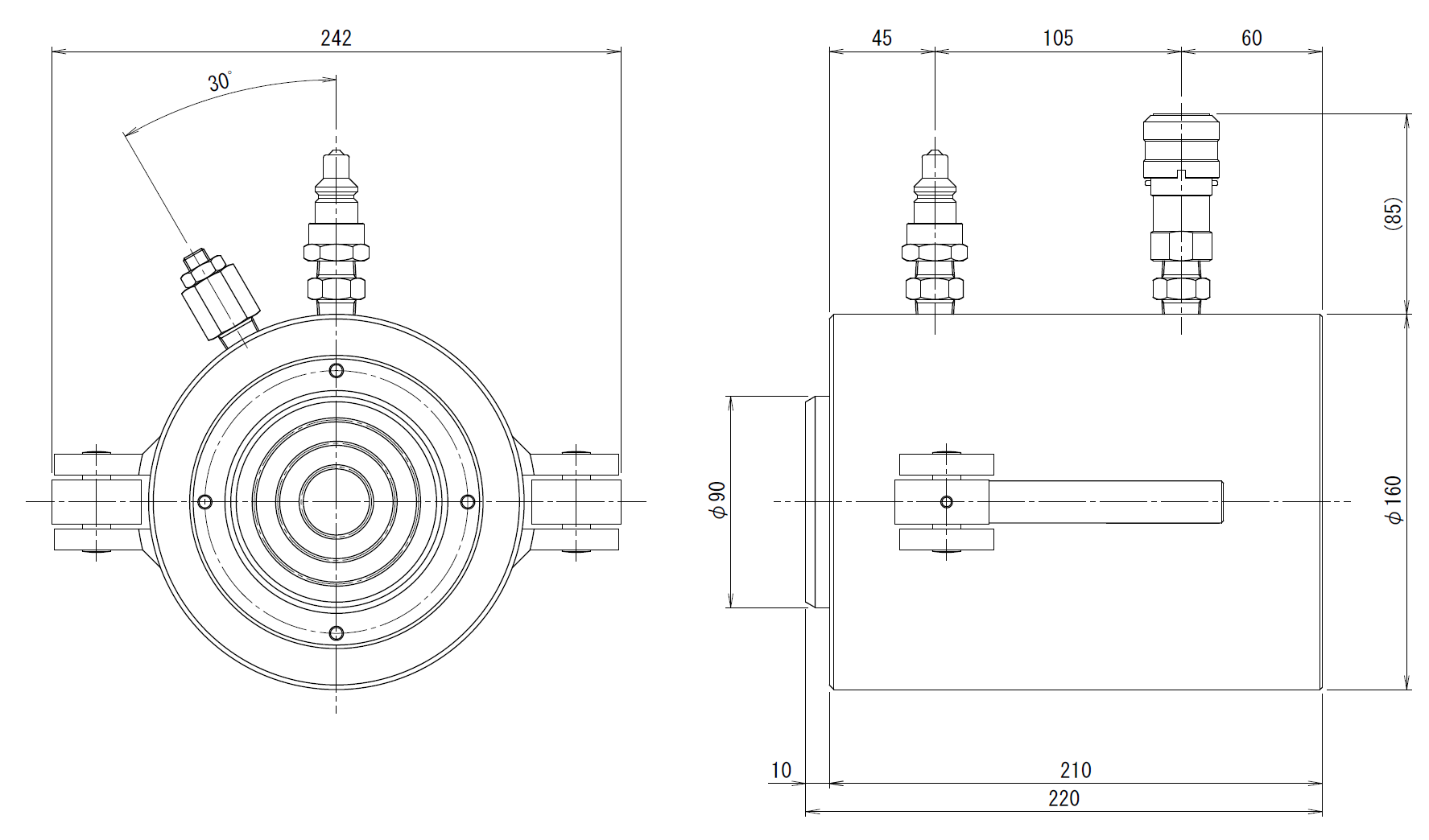
| 画像 | ストローク | 仕様 | 最低機械高 | 受圧面積 | 圧力 | 所要油量 | 重量 | ダウンロード |
|---|---|---|---|---|---|---|---|---|
![]() | 15mm | 65mm | 72.4cm2 | 69.1MPa | 0.11L | 7kg | PDF 換算表 DXF DWG | |
![]() | 20mm | 70mm | 78.5cm2 | 63.7MPa | 0.16L | 7.4kg | PDF 換算表 DXF DWG | |
![]() | 30mm | 85mm | 78.5cm2 | 63.7MPa | 0.24L | 9kg | PDF 換算表 DXF DWG | |
![]() | 30mm | ユニバーサルヘッド付き | 85mm | 78.5cm2 | 63.7MPa | 0.24L | 9kg | PDF 換算表 DXF DWG |
![]() | 50mm | 140mm | 78.5cm2 | 63.7MPa | 0.39L | 15.9kg | PDF 換算表 DXF DWG | |
![]() | 50mm | 取手脱着型 | 145mm | 78.5cm2 | 63.7MPa | 0.39L | 16kg | PDF 換算表 DXF DWG |
![]() | 50mm | ガスリターン型 | 140mm | 78.5cm2 | 63.7MPa | 0.39L | 15.9kg | PDF 換算表 DXF DWG |
![]() | 75mm | 175mm | 78.5cm2 | 63.7MPa | 0.59L | 17.5kg | PDF 換算表 DXF DWG | |
![]() | 75mm | ヘッドキャップ型 | 180mm | 78.5cm2 | 63.7MPa | 0.59L | 17.5kg | PDF 換算表 DXF DWG |
![]() | 110mm | 220mm | 100.3cm2 | 49.9MPa | 1.1L | 34kg | PDF 換算表 DXF DWG | |
![]() | 110mm | 220mm | 78.5cm2 | 63.7MPa | 0.86L | 23kg | PDF 換算表 DXF DWG | |
![]() | 125mm | 235mm | 78.5cm2 | 63.7MPa | 0.98L | 26kg | PDF 換算表 DXF DWG | |
![]() | 200mm | 350mm | 78.5cm2 | 63.7MPa | 1.6L | 37kg | PDF 換算表 DXF DWG | |
![]() | 200mm | 取手脱着型 | 350mm | 78.5cm2 | 63.7MPa | 1.6L | 40kg | PDF 換算表 DXF DWG |
![]() | 300mm | 550mm | 95.0cm2 | 52.6MPa | 2.9L | 70kg | PDF 換算表 DXF DWG |
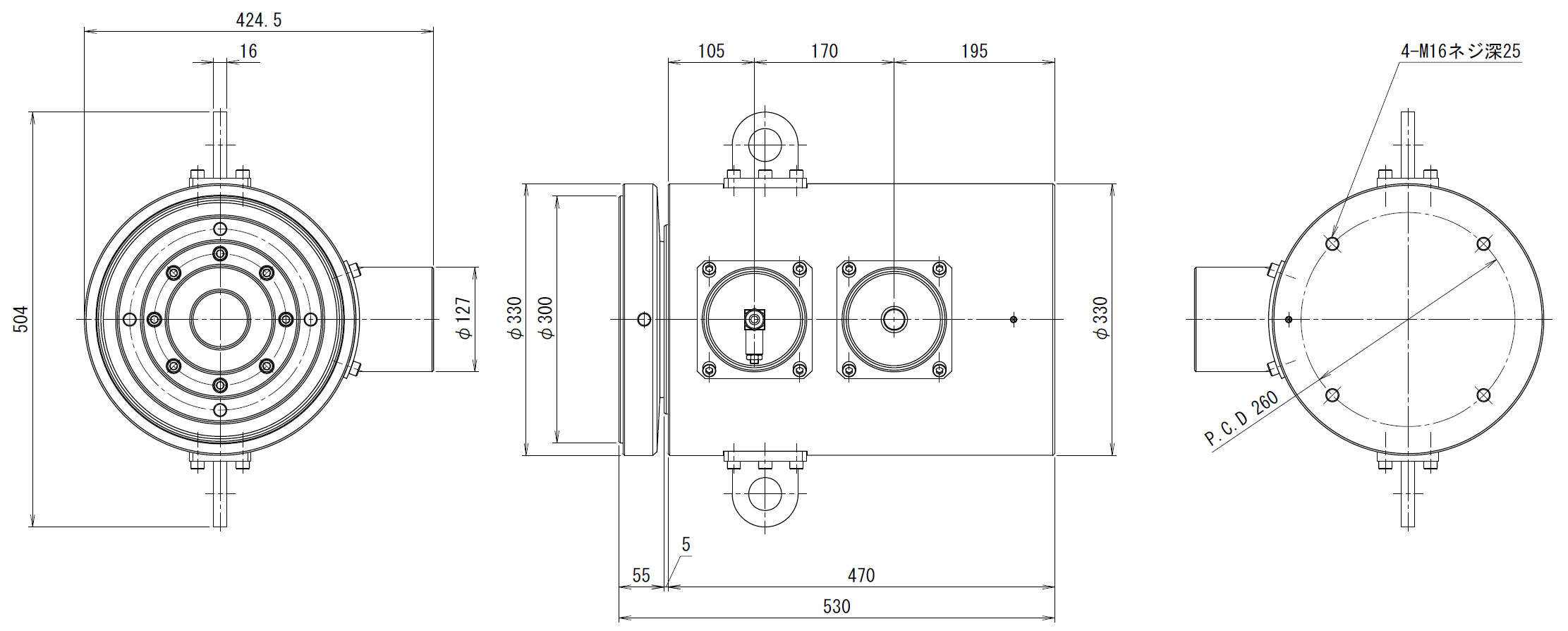
750kN
1000kN
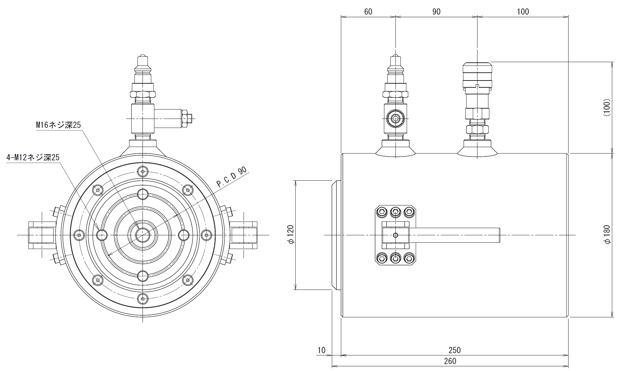
| 画像 | ストローク | 仕様 | 最低機械高 | 受圧面積 | 圧力 | 所要油量 | 重量 | ダウンロード |
|---|---|---|---|---|---|---|---|---|
![]() | 25mm | ユニバーサルヘッド付き | 95mm | 165.1cm2 | 60.6MPa | 0.41L | 18.1kg | PDF 換算表 DXF DWG |
![]() | 60mm | ユニバーサルヘッド付きH=140 | 140mm | 165.1cm2 | 60.6MPa | 0.99L | 26kg | PDF 換算表 DXF DWG |
![]() | 60mm | ユニバーサルヘッド付きH=155 | 155mm | 165.1cm2 | 60.6MPa | 0.99L | 30kg | PDF 換算表 DXF DWG |
![]() | 60mm | ユニバーサルヘッド付き取手脱着型 | 155mm | 165.1cm2 | 60.6MPa | 0.99L | 30kg | PDF 換算表 DXF DWG |
![]() | 75mm | H=225mm | 225mm | 165.1cm2 | 60.6MPa | 1.2L | 42kg | PDF 換算表 DXF DWG |
![]() | 75mm | H=195mm | 195mm | 165.1cm2 | 60.6MPa | 1.2L | 37kg | PDF 換算表 DXF DWG |
![]() | 75mm | 取手脱着型 | 200mm | 165.1cm2 | 60.6MPa | 1.2L | 38kg | PDF 換算表 DXF DWG |
![]() | 100mm | 250mm | 165.1cm2 | 60.6MPa | 1.7L | 46kg | PDF 換算表 DXF DWG | |
![]() | 110mm | 260mm | 165.1cm2 | 60.6MPa | 1.8L | 47kg | PDF 換算表 DXF DWG | |
![]() | 110mm | 取手脱着型 | 260mm | 165.1cm2 | 60.6MPa | 1.82L | 46kg | PDF 換算表 DXF DWG |
![]() | 110mm | ユニバーサルヘッド付き H=293mm | 293mm | 165.1cm2 | 60.6MPa | 1.8L | 55kg | PDF 換算表 DXF DWG |
![]() | 110mm | ユニバーサルヘッド付き H=285mm | 285mm | 165.1cm2 | 60.6MPa | 1.8L | 50kg | PDF 換算表 DXF DWG |
![]() | 150mm | ユニバーサルヘッド付き | 365mm | 165.1cm2 | 60.6MPa | 2.5L | 75kg | PDF 換算表 DXF DWG |
![]() | 200mm | 375mm | 165.1cm2 | 60.6MPa | 3.3L | 66kg | PDF 換算表 DXF DWG | |
| 200mm | ユニバーサルヘッド付き | 410mm | 165.1cm2 | 60.6MPa | 3.3L | 78kg | PDF 換算表 DXF DWG | |
![]() | 220mm | 380mm | 165.1cm2 | 60.6MPa | 3.6L | 74kg | PDF 換算表 DXF DWG | |
![]() | 220mm | ユニバーサルヘッド付き | 430mm | 165.1cm2 | 60.6MPa | 3.7L | 74kg | PDF 換算表 DXF DWG |
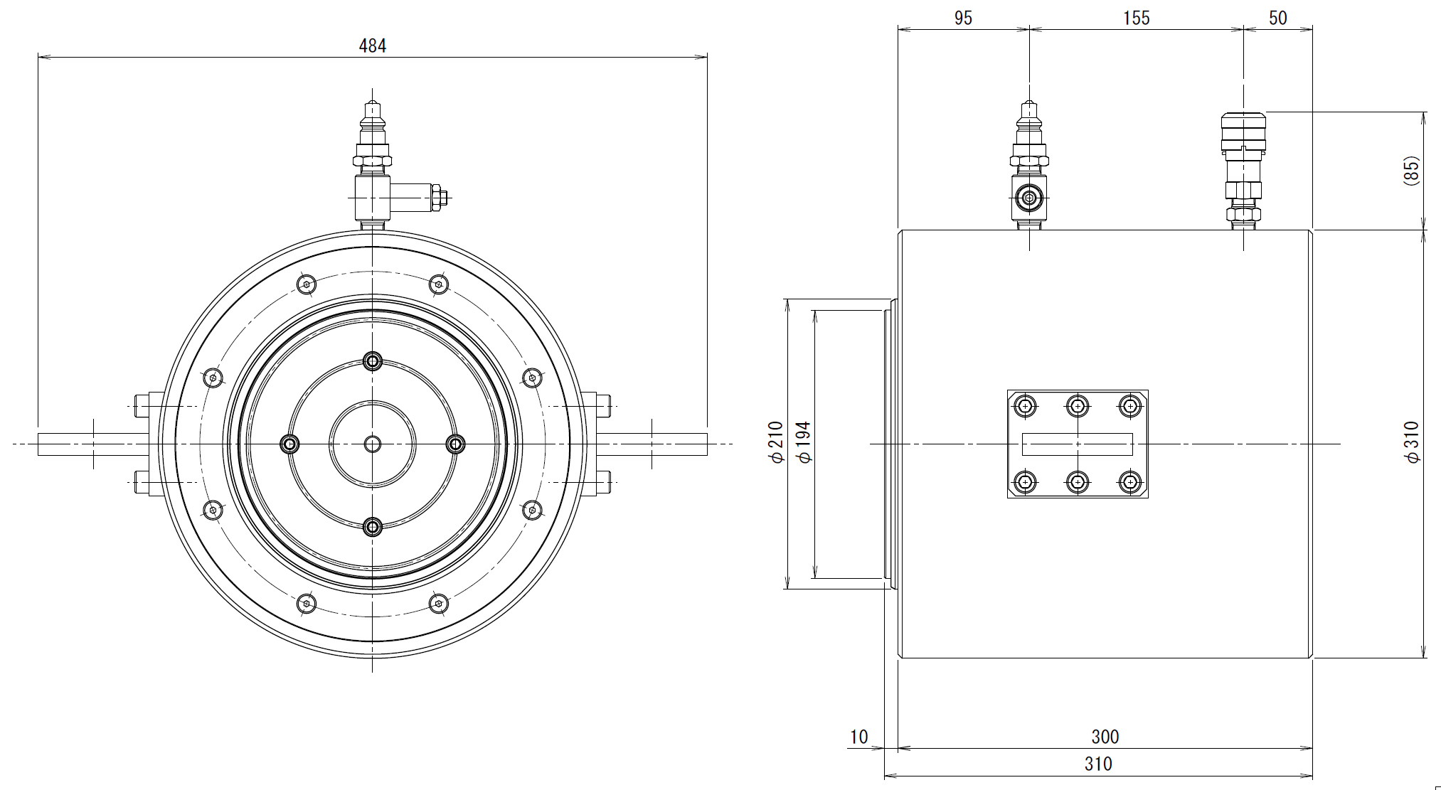
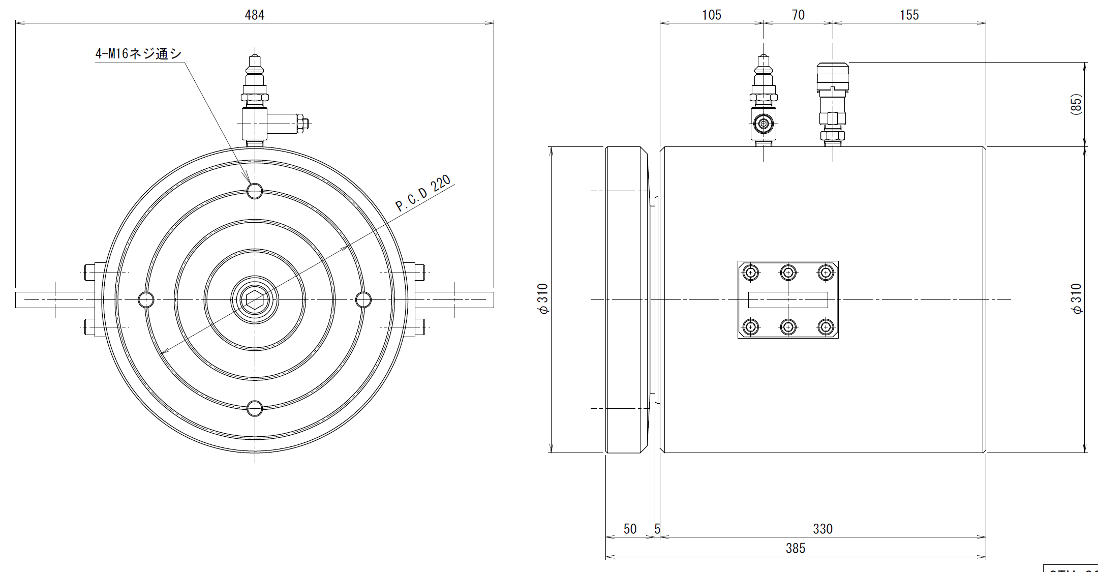
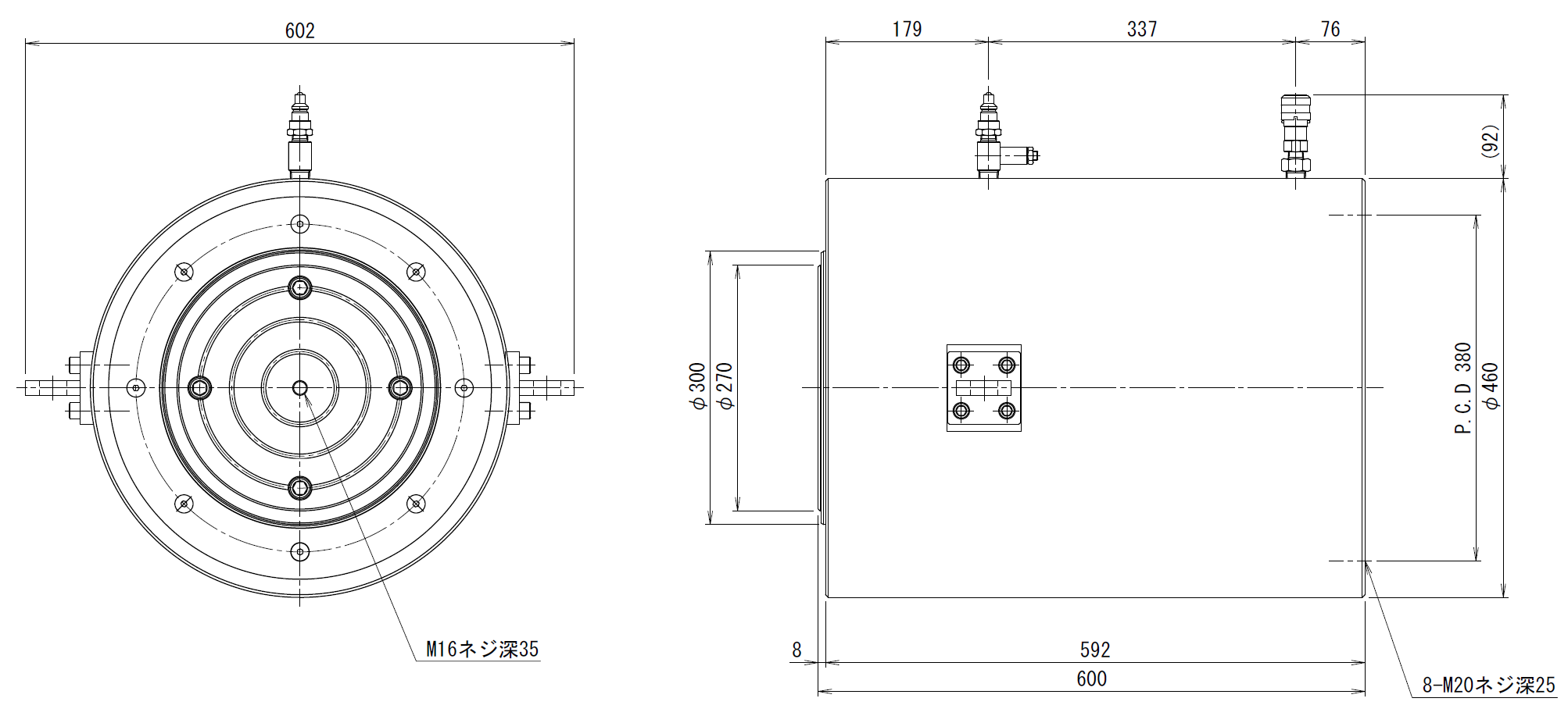
![]() | 300mm | 555mm | 201.1cm2 | 49.7MPa | 6.0L | 135kg | PDF 換算表 DXF DWG |
1500kN
| 画像 | ストローク | 仕様 | 最低機械高 | 受圧面積 | 圧力 | 所要油量 | 重量 | ダウンロード |
|---|---|---|---|---|---|---|---|---|
![]() | 200mm | 440mm | 254.5cm2 | 58.9MPa | 5.1L | 150kg | PDF 換算表 DXF DWG | |
![]() | 300mm | 540mm | 254.5cm2 | 58.9MPa | 7.6L | 181kg | PDF 換算表 DXF DWG |
2000kN
| 画像 | ストローク | 仕様 | 最低機械高 | 受圧面積 | 圧力 | 所要油量 | 重量 | ダウンロード |
|---|---|---|---|---|---|---|---|---|
![]() | 75mm | 245mm | 330.1cm2 | 60.6MPa | 2.5L | 95kg | PDF 換算表 DXF DWG | |
![]() | 75mm | 取手脱着型 | 245mm | 330.1cm2 | 60.6MPa | 2.5L | 95kg | PDF 換算表 DXF DWG |
![]() | 75mm | ユニバーサルヘッド付き | 290mm | 330.1cm2 | 60.6MPa | 2.5L | 110kg | PDF 換算表 DXF DWG |
![]() | 115mm | 285mm | 330.1cm2 | 60.6MPa | 3.8L | 99kg | PDF 換算表 DXF DWG | |
![]() | 115mm | ユニバーサルヘッド付き | 330mm | 330.1cm2 | 60.6MPa | 3.8L | 115kg | PDF 換算表 DXF DWG |
![]() | 125mm | 安全ナット付き | 530mm | 314.2cm2 | 63.7MPa | 3.9L | 250kg | PDF 換算表 DXF DWG |
![]() | 125mm | 安全ナットユニバーサル付き | 525mm | 314.2cm2 | 63.7MPa | 3.9L | 235kg | PDF 換算表 DXF DWG |
![]() | 125mm | 安全ナットユニバーサル付き | 575mm | 314.2cm2 | 63.7MPa | 3.9L | 260kg | PDF 換算表 DXF DWG |
![]() | 200mm | ユニバーサルヘッド付き H=455 | 455mm | 330.1cm2 | 60.6MPa | 6.6L | 170kg | PDF 換算表 DXF DWG |
![]() | 200mm | ユニバーサルヘッド付き H=515 | 515mm | 309.3cm2 | 64.7MPa | 6.2L | 210kg | PDF 換算表 DXF DWG |
![]() | 220mm | 430mm | 330.1cm2 | 60.6MPa | 7.3L | 165kg | PDF 換算表 DXF DWG | |
![]() | 230mm | ユニバーサルヘッド付き | 480mm | 330.1cm2 | 60.6MPa | 7.6L | 173kg | PDF 換算表 DXF DWG |
![]() | 400mm | ユニバーサルヘッド付き | 715mm | 309.3cm2 | 64.7MPa | 12.4L | 273kg | PDF 換算表 DXF DWG |
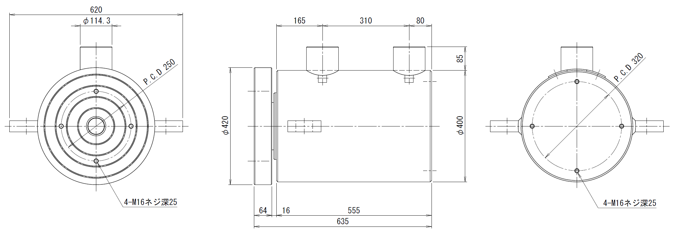
3000kN
| 画像 | ストローク | 仕様 | 最低機械高 | 受圧面積 | 圧力 | 所要油量 | 重量 | ダウンロード |
|---|---|---|---|---|---|---|---|---|
![]() | 50mm | 安全ナット付き | 525mm | 490.9cm2 | 61.2MPa | 2.5L | 351kg | PDF 換算表 DXF DWG |
![]() | 100mm | 310mm | 490.9cm2 | 61.2MPa | 4.9L | 150kg | PDF 換算表 DXF DWG | |
![]() | 100mm | 取手脱着型 | 310mm | 490.9cm2 | 61.2MPa | 4.9L | 168kg | PDF 換算表 DXF DWG |
![]() | 120mm | ユニバーサルヘッド付き | 385mm | 490.9cm2 | 61.2MPa | 5.9L | 190kg | PDF 換算表 DXF DWG |
![]() | 120mm | 取手脱着型 | 385mm | 490.9cm2 | 61.2MPa | 5.9L | 210kg | PDF 換算表 DXF DWG |
![]() | 125mm | 安全ナット付き | 600mm | 490.9cm2 | 61.2MPa | 6.1L | 385kg | PDF 換算表 DXF DWG |
![]() | 220mm | ユニバーサルヘッド付き H=530mm | 530mm | 490.9cm2 | 61.2MPa | 10.8L | 315kg | PDF 換算表 DXF DWG |
![]() | 220mm | ユニバーサルヘッド付き H=510mm | 510mm | 490.9cm2 | 61.2MPa | 10.8L | 275kg | PDF 換算表 DXF DWG |
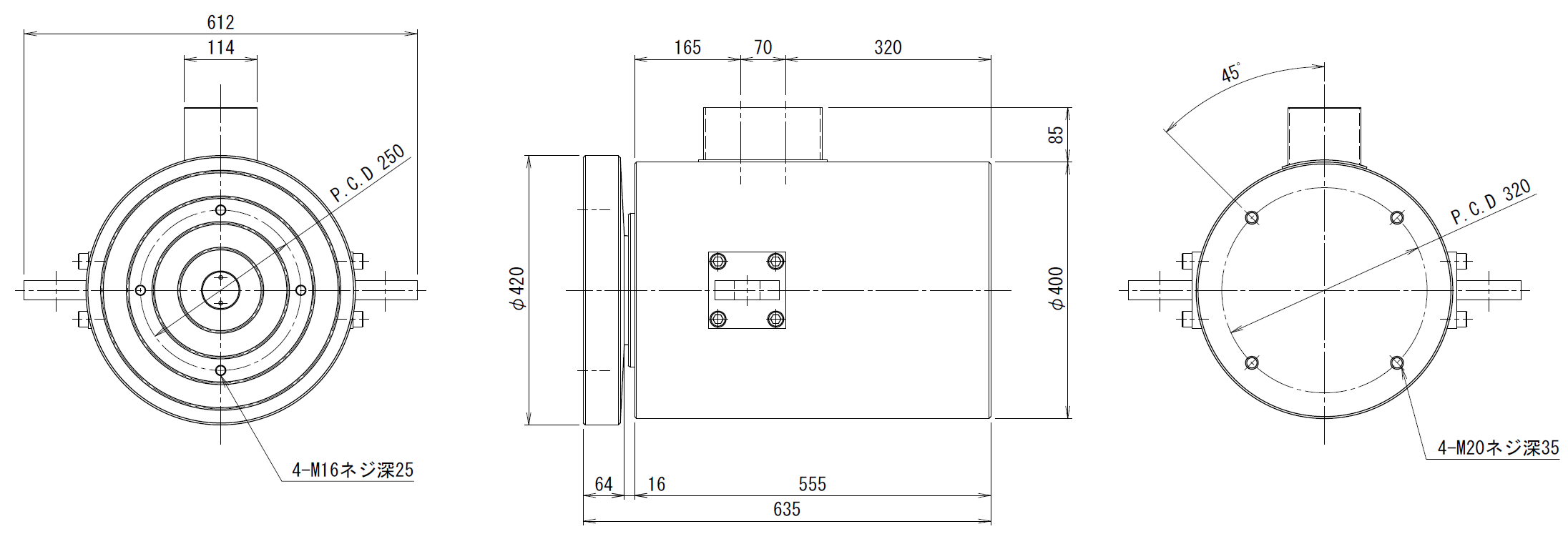
3110kN
| 画像 | ストローク | 仕様 | 最低機械高 | 受圧面積 | 圧力 | 所要油量 | 重量 | ダウンロード |
|---|---|---|---|---|---|---|---|---|
![]() | 100mm | ユニバーサルヘッド付き | 410mm | 415.5cm2 | 74.9MPa | 4.2L | 200kg | PDF 換算表 DXF DWG |
![]() | 220mm | ユニバーサルヘッド付き | 530mm | 415.5cm2 | 74.9MPa | 9.1L | 295kg | PDF 換算表 DXF DWG |
3500kN
4000kN
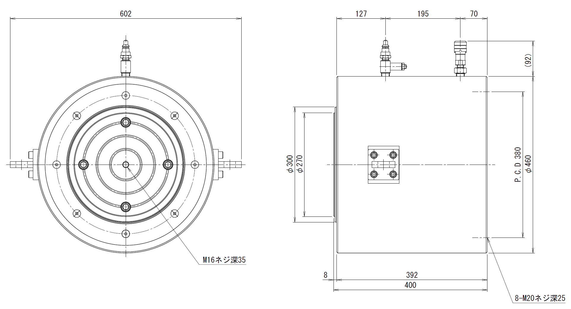
5000kN
| 画像 | ストローク | 仕様 | 最低機械高 | 受圧面積 | 圧力 | 所要油量 | 重量 | ダウンロード |
|---|---|---|---|---|---|---|---|---|
![]() | 110mm | 安全ナット付き | 600mm | 804.2cm2 | 62.2MPa | 8.8L | 620kg | PDF 換算表 DXF DWG |
![]() | 220mm | ユニバーサルヘッド付き | 635mm | 779.3cm2 | 64.2MPa | 17.2L | 560kg | PDF 換算表 DXF DWG |
![]() | 220mm | ユニバーサルヘッド付き | 635mm | 779.3cm2 | 64.2MPa | 17.2L | 560kg | PDF 換算表 DXF DWG |
7000kN
| 画像 | ストローク | 仕様 | 最低機械高 | 受圧面積 | 圧力 | 所要油量 | 重量 | ダウンロード |
|---|---|---|---|---|---|---|---|---|
![]() | 120mm | 400mm | 1164.2cm2 | 60.2MPa | 14.0L | 457kg | PDF 換算表 DXF DWG | |
![]() | 250mm | 600mm | 1164.2cm2 | 60.2MPa | 29.1L | 758kg | PDF 換算表 DXF DWG |
8500kN
| 画像 | ストローク | 仕様 | 最低機械高 | 受圧面積 | 圧力 | 所要油量 | 重量 | ダウンロード |
|---|---|---|---|---|---|---|---|---|
![]() | 250mm | ユニバーサルヘッド付き | 745mm | 1320.3cm2 | 64.4MPa | 33.0L | 1080kg | PDF 換算表 DXF DWG |
![]() | 500mm | 1080mm | 1320.3cm2 | 64.4MPa | 66.0L | 1310kg | PDF 換算表 DXF DWG |
10000kN
12000kN
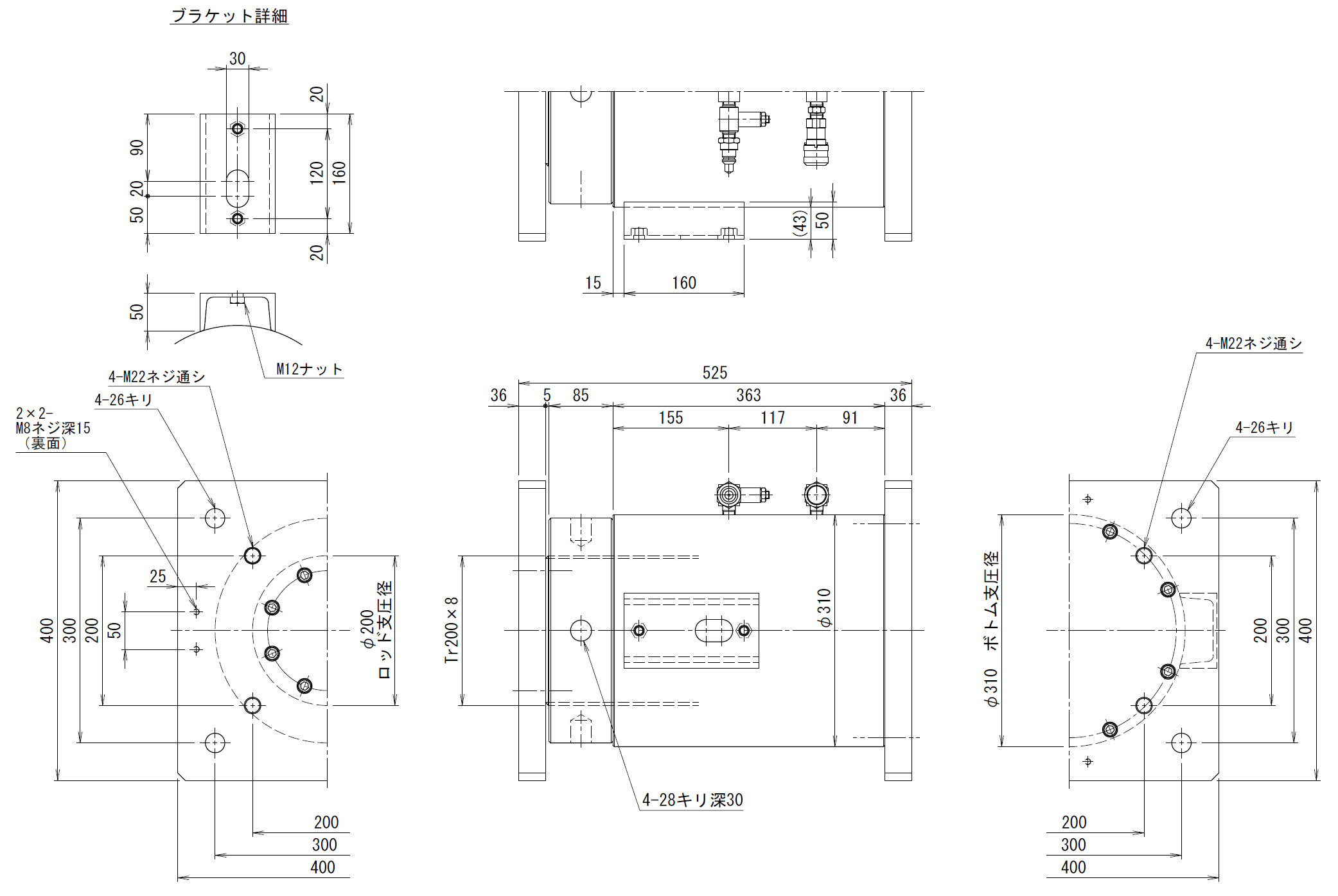
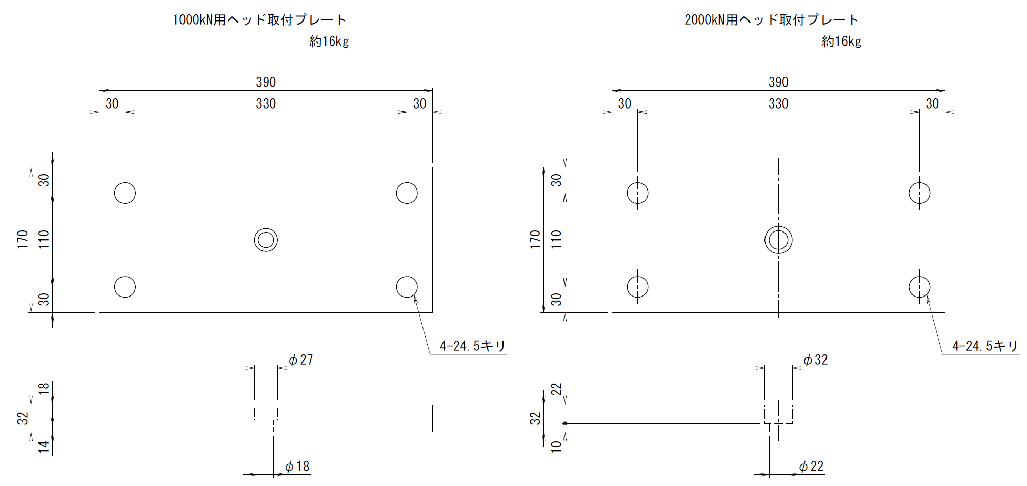
ジャッキダウン用ヘッド取り付けプレート

使用方法
補修用油圧ジャッキの操作方法を説明します。























































































